उत्पादने
मुख्यपृष्ठ > उत्पादने
उत्पादने
LMZJ1-0.5 वर्तमान ट्रान्सफॉर्मर
  • LMZJ1-0.5 वर्तमान ट्रान्सफॉर्मरLMZJ1-0.5 वर्तमान ट्रान्सफॉर्मर
  • LMZJ1-0.5 वर्तमान ट्रान्सफॉर्मरLMZJ1-0.5 वर्तमान ट्रान्सफॉर्मर
  • LMZJ1-0.5 वर्तमान ट्रान्सफॉर्मरLMZJ1-0.5 वर्तमान ट्रान्सफॉर्मर

LMZJ1-0.5 वर्तमान ट्रान्सफॉर्मर

LMZJ1-0.5 करंट ट्रान्सफॉर्मर हे चीनमधील व्यावसायिक उत्पादक Comewill द्वारे उत्पादित केलेले इनडोअर AC सर्किट्ससाठी विशेषतः डिझाइन केलेले थ्रू टाईप बसबार उपकरण आहे. हे उत्पादन विशेषतः ≤ 0.5kV चे रेट केलेले व्होल्टेज आणि 50Hz ची वारंवारता असलेल्या सिस्टमसाठी डिझाइन केलेले आहे. हे वर्तमान मोजमाप, ऊर्जा मीटरिंग आणि कमी-व्होल्टेज उर्जा उपकरणांमध्ये रिले संरक्षणासाठी मुख्य घटक आहे आणि औद्योगिक आणि व्यावसायिक प्रकल्पांमध्ये मोठ्या प्रमाणात खरेदीसाठी अतिशय योग्य आहे.

चीनमधील व्यावसायिक निर्माता म्हणून, Comewill तुम्हाला सानुकूलित LMZJ1-0.5 करंट ट्रान्सफॉर्मर प्रदान करू इच्छितो, जे रेझिन इन्सुलेशन कास्टिंग तंत्रज्ञान वापरून परिष्कृत केले जाते आणि एक निश्चित बेस प्लेट स्थापना मोड स्वीकारते. उत्तम ऑपरेशनल स्थिरता आणि दीर्घकालीन टिकाऊपणासह, ते मूळ पासून खरेदी भागीदारांसाठी देखभाल खर्च वाचवते. हे 0.2, 0.5, 0.2s, आणि 0.5s चे एकाधिक उच्च-परिशुद्धता गियर पर्याय प्रदान करते, विविध परिस्थितींमध्ये विभेदित अनुप्रयोग गरजा सहजतेने कव्हर करतात.

कॉम्पॅक्ट स्ट्रक्चरल डिझाइन इन्स्टॉलेशन आणि डिप्लॉयमेंट अधिक लवचिक बनवते आणि उच्च-स्तरीय सुरक्षा कॉन्फिगरेशन आणि अल्ट्रा लाँग सर्व्हिस लाइफचे दुहेरी समर्थन LMZJ1-0.5 करंट ट्रान्सफॉर्मरला आधुनिक लो-व्होल्टेज सिस्टम खरेदीमध्ये एक विश्वासार्ह पर्याय बनवते. हे लक्षात घेण्यासारखे आहे की या लो-व्होल्टेज ट्रान्सफॉर्मरमध्ये उत्कृष्ट उच्च तापमान प्रतिकार आणि प्रदूषण प्रतिरोधक क्षमता आहे, आणि कठोर वातावरणात देखील स्थिर ऑपरेशन राखू शकते, प्रत्येक खरेदी गुंतवणूकीचे मूल्य जास्तीत जास्त वाढवते.

उत्पादनाची रचना

LMZJ1-0.5 करंट ट्रान्सफॉर्मरचा कोर हा कोल्ड-रोल्ड ओरिएंटेड सिलिकॉन स्टील शीटचा बनलेला एक गोलाकार लोखंडी कोर आहे - हे अचूक वाइंडिंग डिझाइन चुंबकीय कार्यक्षमता वाढवण्यासाठी आणि विश्वसनीय ऑपरेशनसाठी पाया घालण्याची गुरुकिल्ली आहे.
दुय्यम वळण या वर्तुळाकार लोखंडाच्या कोरभोवती समान रीतीने गुंडाळलेले आहे, ही एक काळजीपूर्वक डिझाइन केलेली व्यवस्था आहे जी सर्व ऑपरेटिंग परिस्थितीत सातत्यपूर्ण कामगिरी सुनिश्चित करते आणि असमान आउटपुट समस्या दूर करते.
मध्यवर्ती खिडकी उत्पादनाच्या मध्यभागी जाते आणि ती बसबारच्या अखंड एकत्रीकरणासाठी डिझाइन केलेली आहे, तर तळाशी असलेला मजबूत पाया उत्पादनासाठी अधिक सुरक्षित आणि अधिक स्थिर स्थापना बिंदू प्रदान करतो, ज्यामुळे ते स्थापित करणे सोपे होते.
संपूर्ण घटक असंतृप्त राळ इन्सुलेशन सामग्रीपासून कास्ट केला जातो. हे भक्कम आवरण केवळ टिकाऊपणाच वाढवत नाही, तर सुरक्षितता देखील सुधारते आणि अंतर्गत घटकांचे पर्यावरणीय दबावापासून संरक्षण करते, ज्यामुळे विविध कामकाजाच्या वातावरणात ट्रान्सफॉर्मर लवचिक बनतो.

पॅरामीटर

इलेक्ट्रिकल पॅरामीटर यांत्रिक पॅरामीटर
वारंवारता 50/60Hz केस PC/UL94-V0
रेट केलेले इनपुट 5A-5000A बॉबिन पीबीटी
मापन श्रेणी 5%-120% मध्ये कोर सिलिकॉन स्टील
रेटेड आउटपुट 1A,5A बांधकाम स्क्रू
गुणोत्तर व्होल्टेज 0.72KV (AC) ऑपरेटिंग तापमान -25℃~+75℃
डायलेक्ट्रिक ताकद 3.0KV/1mA/1मि ऑपरेटिंग आर्द्रता ≤85%
इन्सुलेशन प्रतिकार DC500V/100MΩ मि आउटपुट कनेक्शन टर्मिनल
मॉडेल प्राथमिक / माध्यमिक बसबार होलचे परिमाण(मिमी) रेटेड बोझ (VA) अचूकता वर्ग रेट केलेले व्होल्टेज
LMZJ1-0.5 30 5/5A~300/5A ø = 31 मिमी २.५~५ 0.2S 0.5S 0.5 0.72KV(AC)
LMZJ1-0.5 35 5/5A~300/5A ø = 35 मिमी २.५~५ 0.2S 0.5S 0.5 0.72KV(AC)
LMZJ1-0.5 40 200/5A~500/5A ø = 42 मिमी 5 0.2S 0.5S 0.5 0.72KV(AC)
LMZJ1-0.5 50 400/5A~600/5A ø = 56 मिमी 5 0.2S 0.5S 0.5 0.72KV(AC)
LMZJ1-0.5 80 750/5A~1200/5A ø = 83 मिमी १०~२० 0.2S 0.5S 0.5 0.72KV(AC)
LMZJ1-0.5 100 800/5A~2000/5A ø = 102 मिमी १०~३० 0.2S 0.5S 0.5 0.72KV(AC)
LMZJ1-0.5 140 2000/5A~4000/5A ø = 142 मिमी १५~३० 0.2S 0.5S 0.5 0.72KV(AC)
LMZJ1-0.5 180 5000/5A~6000/5A ø = 182 मिमी १५~३० 0.2S 0.5S 0.5 0.72KV(AC)

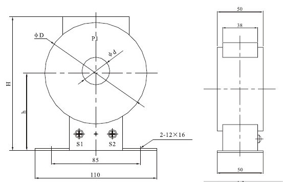
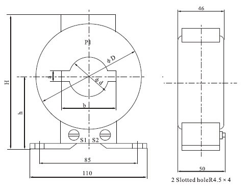
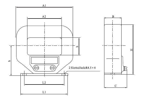
स्थापनेची बाह्यरेखा आणि परिमाणे

प्रकार वर्तमान गुणोत्तर H h φD φd
LMZ1-0.5 5-300/5 117 68 90 30
प्रकार वर्तमान गुणोत्तर H h φD φd a b
LMZJ1-0.5 5-300/5 118 70 91 32 10 41
400-600/5 128 75 97 43 12 52
प्रकार वर्तमान गुणोत्तर A1 A2 B h H L1 L2 C b
LMZJ1-0.5 1000/51200/51500/5 172 104 30 80 140 156 123 41 50
2000/53000/5 216 140 42 102 182 175 150 46 70
4000/55000/5 238 150 55 117 220 230 180 60 94
हॉट टॅग्ज: LMZJ1-0.5 वर्तमान ट्रान्सफॉर्मर, चीन, उत्पादक, पुरवठादार, कारखाना, घाऊक, सानुकूलित, स्टॉकमध्ये, चीनमध्ये बनविलेले, कमी किंमत, गुणवत्ता
चौकशी पाठवा
संपर्क माहिती
  • पत्ता

    No.777 Wanweng Road, Wengyang उप-जिल्हा, Yueqing City, Wenzhou City, Zhejiang Province, China

  • दूरध्वनी

    +86-15224149953

  • ई-मेल

    hannah@comewill.com

स्विचगियर, व्हॅक्यूम सर्किट ब्रेकर, वर्तमान ट्रान्सफॉर्मरसाठी Comewill कडे चौकशी पाठवा. आमच्या चीन फॅक्टरी टीमकडून सानुकूलित कोट्स, कमी किमती किंवा तज्ञांचे समर्थन मिळवा.
X
आम्ही तुम्हाला एक चांगला ब्राउझिंग अनुभव देण्यासाठी, साइट रहदारीचे विश्लेषण करण्यासाठी आणि सामग्री वैयक्तिकृत करण्यासाठी कुकीज वापरतो. ही साइट वापरून, तुम्ही आमच्या कुकीजच्या वापरास सहमती देता. गोपनीयता धोरण
नकार द्या स्वीकारा