उत्पादने
मुख्यपृष्ठ > उत्पादने
उत्पादने
LMZW9-0.66 वर्तमान ट्रान्सफॉर्मर
  • LMZW9-0.66 वर्तमान ट्रान्सफॉर्मरLMZW9-0.66 वर्तमान ट्रान्सफॉर्मर
  • LMZW9-0.66 वर्तमान ट्रान्सफॉर्मरLMZW9-0.66 वर्तमान ट्रान्सफॉर्मर

LMZW9-0.66 वर्तमान ट्रान्सफॉर्मर

चीनी उत्पादक Comewill कडून उच्च-गुणवत्तेचा LMZW9-0.66 वर्तमान ट्रान्सफॉर्मर खरेदी करा. हा ट्रान्सफॉर्मर विशेषत: 0.66kV आणि त्याहून कमी रेट केलेल्या 50Hz AC सर्किट्ससाठी डिझाइन केला आहे, जो औद्योगिक आणि इमारत वीज वितरण क्षेत्रातील अचूक वर्तमान मॉनिटरिंग आणि ऊर्जा मीटरिंगसाठी आवश्यक आवश्यकता पूर्ण करतो. असंतृप्त राळ कास्टिंग प्रक्रियेचा वापर करून, युनिटमध्ये उत्कृष्ट ओलावा प्रतिरोध आणि थर्मल स्थिरता असलेली एक मजबूत रचना आहे, ज्यामुळे संपूर्ण आयुष्यभर देखभाल खर्च प्रभावीपणे कमी होतो.
चीनमधील पॉवर उपकरणांचे व्यावसायिक निर्माता म्हणून, Comewill IEC 61869 मानकांचे काटेकोरपणे पालन करते, LMZW9-0.66 करंट ट्रान्सफॉर्मरची स्थिर आणि विश्वासार्ह कामगिरी सुनिश्चित करते. त्याचे फिक्स्ड-माउंट डिझाइन ऑन-साइट वायरिंग सुलभ करते, विविध लो-व्होल्टेज पॉवर वितरण प्रणालींमध्ये अखंड एकत्रीकरणास अनुमती देते—मग अपग्रेड किंवा नवीन बांधकाम प्रकल्प.

LMZW-0.66 वर्तमान ट्रान्सफॉर्मरचे तांत्रिक मापदंड:

रेट केलेली वारंवारता 50/60Hz
रेट केलेले व्होल्टेज 0.6kV किंवा 0.66 kV
उपकरणांसाठी सर्वोच्च व्होल्टेज 0.72kV
पॉवर वारंवारता व्होल्टेज सहन करते 3kV
सह तांत्रिक मानक करार IEC60044-1:2003 किंवा IEEE STD C57.13-2008
प्रकार रेट केलेले प्राथमिक प्रवाह(A) रेट केलेले आउटपुट VA(cosФ=0.8lag)
0.2S 0.2 0.5S 0.5 1
LMZ-0.66 75-100 10-3.75 10-3.75 10-3.75 10-3.7510-3.75 10-3.75
LMZ-0.66 150-300 10-3.75 10-3.75 10-3.75 10-3.75 10-3.75
LMZ-0.66 400-750 10-3.75 10-3.75 10-3.75 10-3.75 10-3.75
LMZ-0.66 1000-1500 10-3.75 10-3.75 10-3.75 10-3.75 10-3.75


उत्पादन वैशिष्ट्ये

1. स्थिर कामगिरी

Comewill कारखान्याचा LMZW9-0.66 वर्तमान ट्रान्सफॉर्मर IEC 61869, IEC60044-1, आणि IEEE C57.13 मानकांशी सुसंगत आहे

प्राथमिक प्रवाहांच्या विस्तृत श्रेणीमध्ये अचूक वर्तमान मापन (75-1500A)

10–3.75 VA (cosφ=0.8 lag) रेट केलेले आउटपुट मीटरिंग आणि संरक्षणासाठी सातत्यपूर्ण सिग्नल सुनिश्चित करते


2. फिक्स्ड-माउंट इनडोअर डिझाइन

लो-व्होल्टेज स्विचगियर आणि पॅनल्समध्ये वायरिंग आणि एकत्रीकरण सुलभ करते

स्थापना त्रुटी आणि देखभाल आवश्यकता कमी करते

कॉम्पॅक्ट डिझाइन पॅनेलच्या जागेचा जास्तीत जास्त वापर करते


3. वाइड ऑपरेशनल रेंज

ऑपरेटिंग तापमान: -25℃ ते +55℃

सापेक्ष आर्द्रता: ≤90%, संक्षेपण नाही

उंची: समुद्रसपाटीपासून ≤1000 मीटर

प्रदूषणमुक्त, धूळमुक्त आणि संक्षारक वायूमुक्त घरातील वातावरण


4. उच्च सुरक्षा आणि अनुपालन

पॉवर वारंवारता व्होल्टेज सहन करते: 3kV

रेट केलेले व्होल्टेज: 0.6–0.66kV, 0.72kV च्या कमाल उपकरण व्होल्टेजसह

कमी-व्होल्टेज वितरण नेटवर्कमध्ये दीर्घकालीन सुरक्षित ऑपरेशनसाठी डिझाइन केलेले


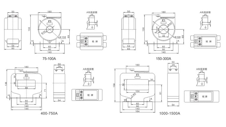
बाह्यरेखा आणि स्थापना परिमाणे

स्वागत (वेन्झो) इलेक्ट्रिक कं, लि


वारंवार विचारले जाणारे प्रश्न


Q1: तुम्ही कारखाना किंवा ट्रेडिंग कंपनी आहात?

A1: आम्ही एक कारखाना आहोत, जे आम्हाला थेट अतिशय स्पर्धात्मक किंमती ऑफर करण्याची परवानगी देते.


Q2: तुमची गुणवत्ता नियंत्रण प्रक्रिया काय आहे?

A2: आम्ही खात्री करतो की शिपमेंटपूर्वी सर्व उत्पादनांची 100% तपासणी होते.


Q3: मी किंमत कोट कधी मिळण्याची अपेक्षा करू शकतो?

A3: तुमची चौकशी मिळाल्यानंतर आम्ही सामान्यत: 24 तासांच्या आत कोट प्रदान करतो.


Q4: मी नमुना कसा मिळवू शकतो?

A4: तुम्ही नमुना खरेदी करू शकता, ज्यामध्ये नमुना खर्च आणि शिपिंग शुल्क समाविष्ट असेल. एक्सप्रेस वितरण शुल्क नमुन्यांचे प्रमाण आणि वजन यावर अवलंबून असते.


Q5: शिपिंग खर्च काय आहेत?

A5: गंतव्य पोर्टवर अवलंबून शिपिंग खर्च बदलू शकतात.


हॉट टॅग्ज: LMZW9-0.66 वर्तमान ट्रान्सफॉर्मर, चीन, उत्पादक, पुरवठादार, कारखाना, घाऊक, सानुकूलित, स्टॉकमध्ये, चीनमध्ये बनविलेले, कमी किंमत, गुणवत्ता
चौकशी पाठवा
संपर्क माहिती
  • पत्ता

    No.777 Wanweng Road, Wengyang उप-जिल्हा, Yueqing City, Wenzhou City, Zhejiang Province, China

  • दूरध्वनी

    +86-15224149953

  • ई-मेल

    hannah@comewill.com

स्विचगियर, व्हॅक्यूम सर्किट ब्रेकर, वर्तमान ट्रान्सफॉर्मरसाठी Comewill कडे चौकशी पाठवा. आमच्या चीन फॅक्टरी टीमकडून सानुकूलित कोट्स, कमी किमती किंवा तज्ञांचे समर्थन मिळवा.
X
आम्ही तुम्हाला एक चांगला ब्राउझिंग अनुभव देण्यासाठी, साइट रहदारीचे विश्लेषण करण्यासाठी आणि सामग्री वैयक्तिकृत करण्यासाठी कुकीज वापरतो. ही साइट वापरून, तुम्ही आमच्या कुकीजच्या वापरास सहमती देता. गोपनीयता धोरण
नकार द्या स्वीकारा